How Do You Approach Passive Crossover Design?

You have your measurements. You pop open your favorite simulation software, load the measurements and offsets, and start to design the crossover. What do you do? Like how do you start? How do you determine what order of crossover and component values you’re going to start with? When do you decide to start tossing in notch filters?

My process feels very chaotic. I feel like I’m just throwing spaghetti at the wall to see what sticks. It’s just straight guesswork and randomness. I usually start with an LR4 target and 2nd order filters and work out from there trying 3rd & 4th order, tossing in notch filters, damping resistors, etc. Component values are usually a start at textbook filter values (in WinPCD) and then adjust rather at random from there depending on what it looks like and where we need to go.

Is this generally the process most people follow or is there a more systematic process?

1 Like

I’m assuming you are on a higher level than “start with the woofer” type stuff? Your question is basic, but I think the intent is more advanced. I feel my input would be too basic. I too struggle with the chaos. There are things to learn from simply adding in a component and observing what it does to the impedance and response graphs. I struggled most by simply not knowing a certain circuit existed, so I did not know to try it.

Often notch filters are strategically used for squashing a resonance, to varying degrees of success. Such resonances can be identified by peaks in the impedance graph that usually correlate with a peak in the response. They can be used if a response peak bothers you too much, regardless if there is an actual identifiable resonance. But it costs $ and adds complexity to the circuit. So the value proposition comes into play.

2 Likes

The approach is rather holistic, and involves trial and error as the process. I suppose more experienced designers like JR, Scott Sehlin, CurtC, PWR RYD, and myself have a bit more of a streamlined process just because we’ve had considerable practice. Knowing your goals beforehand are important. I know it comes down to sound preferences too, but try to keep it as simple as possible without leaving some glaring problem on the table- alstwhile keeping the impedance relatively benign.

I used to fire off an email to JeffB when I had thought I’d hit a wall in the process. He’d make a suggestion or 2, and then a little more work later I’d have it ready to try as a circuit.

We’ve all been in the position you are in when it seems to become difficult. Something doesn’t work- try it a different way. I have still had simulations where I started over for a 2nd attempt, and compared the new work to the previous.

More often than not, once offset and placement is decided or derived-

I dial in the woofer coil and cap quickly, maybe add a resistor for knee adjustment, targets used if i feel like it, then set level on the tweeter, and throw a similar circuit at it for approximation purposes. There was something Jeff used to say about being able to quickly throw 5-6 parts at a 6.5-7” 2way design and be close to good for 90% of the combinations minus the blemishes some have. For the most part, this is true in my experience. There is a lot of knowing why and what to use, but it’s intuitively simple with practice. These 6 parts are the majority of the design work.

The blending however is where the black art comes into play and without seeing the process of someone else, it can feel intimidating to the newer hobbyist. For example, Chuck has said in the past he’d like to watch me approach a design and see what I do and when. It’s beneficial to have a visual, and I was lucky enough to get to see JeffB do just this almost 20 years ago now. It helped me immensely.

Just try to streamline your attempts, and after an hour or 2, put it down and come back to it. I do this all the time. Usually 2-3 hrs gets me something workable, but this is usually time spent in setup too.

Keep at it, you’ll get there!

2 Likes

I have not read any of the speaker builder books. I always wondered if I have missed small basic details that held me back. Over the past 10 years I’ve only just gotten by with spotty info I could gather from online sources and messing with the sim software. It took me a while before I had any understanding of the correlation between the acoustic slope and phase. Something I probably still don’t fully or correctly understand. I feel my knowledge is still full of holes and could use a reset. Are there any books that lay a good foundation of these sort of fundamentals?

1 Like

I’m in the free for all category. By the measurements I’ll have an idea of what frequency to start looking at crossing, but just start playing from there. Most programs have a “textbook” starter for the components, then adjust from there. I’ve learned this go around how the damped leg of a second order filter affects phase response, also how the relationship of cap/inductor in a notch filter can also affect phase.

In a three way I start by making the mid and tweeter play nice, kinda like doing a two way.

I also start with second order on both sides. Knowing going to a third order on the tweeter is a viable option.

2 Likes

My process is pretty much the same… Generally start with 2nd order building blocks, use PCD to get textbook starting values, then put into Vituix to finalize. I’ll use the optimizer, and move values up and down myself while watching the charts adding pads where appropriate. I may have a slight advantage with strong AC electronics theory so I can predict what a cap here or there may do for adding a notch or tilting a response up or down, but that’s not super necessary.

Like Wolf, I’ll tweak a little and walk away coming back later and repeatedly until I finally just pull the trigger on components.

I also ignore all rules and conventions. If the response is good and the impedance is manageable for the whole system I give 0 F’s if I have something in a weird spot.

3 Likes

For me, a great deal of research and individual driver testing takes place prior to the point at which I take final crossover design measurements.
On my current build, I have already taken several NF and FF measurements of the individual drivers. Based on this testing, a few initial target crossover frequencies and slopes seem to suggest themselves.

I’m not very good at “voicing” my speakers, so my current plan is to take a full set of horizontal and vertical spinorama measurements on each driver and then use this data as a “crutch” to help design a good sounding crossover. The spinorama system, as implemented using VCAD, takes alot of the guesswork out of this process because the VCAD 6 pack screens give me tons of instant feedback as I tweak crossover frequences, slopes, notches, etc. As I tweak, I can see clearly if I am going in the right or wrong direction because CAD screen crossover changes instantly appear on the early reflections and on-axis screens.

When I get something that looks good both on and off axis, I then plan to convolute the crossover to Equalizer APO and listen to my crossover before ordering parts. I have things currently set up so that I can listen in either mono or stereo. If it sounds OK to my ears, I will order parts. If not, then back to the drawing board and tweak some more until I get it right. This method of convoluted tweaking avoids costly ordering mistakes. Probably why my voicing decisions, prior to using Equalizer APO, never seem to have involved changing big caps or inductors. I just tweaked the tweeter or midrange padding resistors a little bit and called it good!

2 Likes

“DIY Speaker Anonymous”

Hi, my name is Don

HI DON!

I’m a “start with the woofer” crossover mangler.

One of these days perhaps I will gain a little facility with Vituixcad. Maybe.

Until then, it’s tweak, measure, repeat.

3 Likes

I use VituixCAD like many others. +1 on reading the manual.

After taking the measurements and getting them into the simulation I put something together quickly as version_0, assemble the crossover and measure to confirm the accuracy of the simulation. There are a lot of things that can go wrong in taking the measurements, post-processing, and the setup of the simulation that can easily result in the measurement of version_0 not matching the predicted response. I’ve found that if the on-axis and reverse polarity measurement match the simulation it’s pretty safe to move on.

In my experience getting the simulation to match the measured result is one of the hardest parts of the build. I also think it’s something that can very easily be overlooked.

Once I have a working model, I simulate various versions of the same topology at different Fc’s (1.5k, 2k, 2.5k, 3k for example) and choose the point with the best prospect for good directivity.

From there I play with the slopes and try to find the best trade-off of directivity, on-axis responses and phase tracking. I have generally found that lower order acoustic slopes result in the smoothest directivity.

Now I’ve arrived at version_1. Build it crudely with alligator clips and/or Wago clips. Verify the measured response matches the simulation. Listen.

From here I iterate. Listen → adjust the model → build/measure → listen. Most of the adjustments through this process will be to a very limited number of the components. My current build is on version_9. Listening can take days, don’t rush it. I frequently like something initially but identify problems later. I know I’m finished when I start feeling like I want to listen to the speakers rather than needing to listen to them.

3 Likes

Process of crossover design really doesn’t change whether passive or active filters are used. The crossover truly starts at early design stage - choice of drivers, cabinet shape, distance between drivers, use of WG or not, etc. All affects crossover choices for excellent audio reproduction.

Crossover implementation starts with good data - I’ve long been an advocate for the “dual channel” measurement for many reasons, such as accurate simulation with the least amount of steps with potential for error. The more data we can provide the simulation tools, the better chance we have at determining a predictable outcome with reliable results and reducing the need for tweaking, fiddling, or otherwise “voicing” the initial crossover design because it didn’t provide the expected result. The modern tools we have available today (VituixCAD, REW) are much better than what was available many years ago, and the cost is free so there’s no excuse to not take the time to learn these tools in-depth, I’ve found it to be invaluable and a great part of the “fun” I find in this hobby.

Once I get to the point of designing the crossover, first start with defining the target response, such as 2500Hz LR4. Design a filter to achieve a response that aligns closely with the target. This process should define the topology of filter network required. Repeat for each individual driver in the system

Next, move on to tuning that result for overall combined response with all drivers in the system. Again, define targets and adjust the system to align the response to the target.

There are some other considerations as interaction of passive components affects overall distortion results, beyond simply crossover frequency and slope, for driver breakup behaviours.

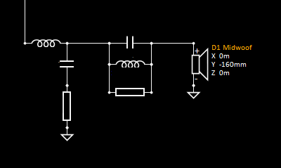
My “secret weapon” looks like this:

The parallel notch targets the midwoofer breakup peak. These will be small value low cost components that provide big acoustic benefit. R value should be large 40-50 ohm. A series notch should not be used here. Adjust the 2nd order low pass for your desired crossover frequency. The resistor in series with the cap should be low value 0-2 ohm, use it to adjust the knee of the curve.

Without the notch filter, a 3rd order electrical filter should be preferred.

6 Likes

Good to see you here, Todd! (flipsnshyt at diyaudio)

Based on Purifi’s paper showing how much that notch filter reduces subharmonic distortion, I definitely have been underutilizing it

1 Like

Thanks for hopping in the forum and discussion Todd!

I have a copy of Loudspeaker Design Cookbook, I think 6th edition? I need to pull it out and read the passive crossover chapters again. When I read it the first time 20 years ago it was German. Might help things click now

Do you get the Vcad optimizer to give good results? I’ve tried it several times and the results are hogwash

Yup. It’s not documented well and needs some prep work before it’s useful. I yap about it in my documentation of this build. http://woggmusic.com/nova-hits/

Harmonics, not subharmonics. In my own measurements, 3rd order reduction of about 10dB can be realized.

The optimizer is just an iterative process to adjust part values until the response matches a defined target. So the main key to utilizing it well it to define an achievable target, and have your response in the ballpark to begin with.

The main error most new users make is to not limit the frequency range for optimization. For example, be default the target slope starts at 20Hz. If your speaker rolls off at 50Hz, it will never hit a flat target to 20Hz, so the calculated error will always be high.

For on-axis / listening window, set limits maybe 100Hz - 15kHz. For power response you can start maybe 300Hz. For high pass / low pass filter targets, limit the optimization range to only a couple octaves above and below the knee.

2 Likes